ПРОВЕРКА МОТОРЕДУКТОРА ОЧИСТИТЕЛЯ ВЕТРОВОГО СТЕКЛА


id091900801100

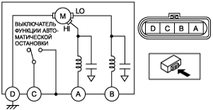
1.  Отсоедините разъем моторедуктора очистителя ветрового стекла.

2.  Соедините контакт A или B моторедуктора очистителя ветрового стекла с положительным выводом аккумуляторной батареи, а контакт D - с "массой". Затем проверьте, работает ли очиститель ветрового стекла в соответствии с данными, приведенными в таблице.

b3e0919w106

•  Если очиститель ветрового стекла не работает так, как указано в таблице, замените моторедуктор очистителя ветрового стекла.
b3e0919w107