DTC P0122 [ZJ, ZY, Z6]


id0102c1804200


Без моторедуктора привода дроссельной заслонки

DTC P0122

Низкий уровень входного сигнала в цепи датчика положения дроссельной заслонки (ТР)

УСЛОВИЕ ОПРЕДЕЛЕНИЯ
•  Если блок РСМ обнаруживает, что напряжение на датчике ТР во время работы двигателя меньше 0,10 В, то блок РСМ решает, что в цепи датчика ТР имеется неисправность.
Примечание к проведению диагностирования
•  Это постоянно контролируемый параметр (комплексный контроль компонентов)
•  Сигнализатор MIL включается, если блок РСМ обнаруживает описанное выше состояние неисправности во время первого ездового цикла.
•  Если блок РСМ обнаруживает описанное выше состояние, то записывается неподтвержденный код неисправности (PENDING CODE).
•  Имеются данные стоп-кадра (FREEZE FRAME DATA).
•  Код неисправности сохраняется в памяти блока РСМ.
ВОЗМОЖНЫЕ ПРИЧИНЫ НЕИСПРАВНОСТИ
•  Неисправность датчика ТР
•  Неисправность разъёма или плохой контакт
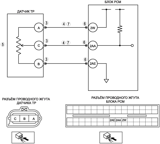
•  Обрыв в проводном жгуте между контактом А датчика ТР и контактом 2W блока РСМ
•  Короткое замыкание на "массу" в проводном жгуте между контактом А датчика ТР и контактом 2W блока PCM
•  Обрыв в проводном жгуте между контактом С датчика ТР и контактом 2AA блока РСМ
•  Короткое замыкание на "массу" в проводном жгуте между контактом С датчика ТР и контактом 2AA блока PCM
•  Неисправность блока РСМ

Процедура диагностики

ЭТАП

ПРОВЕРКА

ВЫПОЛНЯЕМЫЕ ДЕЙСТВИЯ

1
ПРОВЕРКА ЗАПИСИ ДАННЫХ СТОП-КАДРА (FREEZE FRAME DATA)
•  Был ли записан стоп-кадр?
Да
Переходите к следующему этапу.
Нет
Запишите данные стоп-кадра в заказ-наряд на выполнение ремонта и переходите к следующему этапу.
2
ПРОВЕРКА НАЛИЧИЯ ДОПОЛНИТЕЛЬНОЙ СЕРВИСНОЙ ИНФОРМАЦИИ
•  Проверьте наличие дополнительной сервисной информации по данной проблеме.
•  Имеется ли в наличии дополнительная сервисная информация по данной проблеме?
Да
Пользуясь дополнительной сервисной информацией, выполните ремонт или диагностирование.
•  Если неисправность не устранена, то переходите к следующему этапу.
Нет
Переходите к следующему этапу.
3
ПРОВЕРКА КАЧЕСТВА СОЕДИНЕНИЯ В РАЗЪЁМЕ ДАТЧИКА ТР
•  Выключите зажигание.
•  Отсоедините разъём от датчика ТР.
•  Проверьте наличие дефектов в разъёме (повреждённые или смещённые контактные штыри, наличие коррозии).
•  Найдена ли какая-либо неисправность?
Да
Отремонтируйте или замените контакт и перейдите к этапу 8.
Нет
Переходите к следующему этапу.
4
ПРОВЕРКА ЦЕПИ ДАТЧИКА ТР НА ПРЕДМЕТ КОРОТКОГО ЗАМЫКАНИЯ НА "МАССУ"
•  Выключите зажигание.
•  Проверьте неразрывность цепи между перечисленными ниже контактами в разъёме проводного жгута:
―  Между контактом A в разъёме проводного жгута датчика ТР и "массой" кузова.
―  Между контактом С в разъёме проводного жгута датчика ТР и "массой" кузова
•  Существует ли неразрывность цепи?
Да
Устраните возможное короткое замыкание на "массу" в проводном жгуте или замените жгут и переходите к этапу 8.
Нет
Переходите к следующему этапу.
5
ПРОВЕРКА ДАТЧИКА ТР
•  Найдена ли неисправность?
Да
Замените датчик ТР и перейдите к этапу 8.
Нет
Переходите к следующему этапу.
6
ПРОВЕРКА КАЧЕСТВА СОЕДИНЕНИЯ В РАЗЪЁМЕ БЛОКА РСМ
•  Выключите зажигание.
•  Отсоедините разъем от блока РСМ.
•  Проверьте наличие дефектов в разъёме (повреждённые или смещённые контактные штыри, наличие коррозии).
•  Найдена ли какая-либо неисправность?
Да
Отремонтируйте или замените контакт и перейдите к этапу 8.
Нет
Переходите к следующему этапу.
7
ПРОВЕРКА ЦЕПИ ДАТЧИКА ТР НА ПРЕДМЕТ ОБРЫВА
•  Выключите зажигание.
•  Проверьте неразрывность цепи между перечисленными ниже контактами в разъёме проводного жгута:
―  Между контактом А в разъёме проводного жгута датчика ТР и контактом 2W в разъёме проводного жгута блока РСМ
―  Между контактом С в разъёме проводного жгута датчика ТР и контактом 2AA в разъёме проводного жгута блока РСМ
•  Существует ли неразрывность цепи?
Да
Переходите к следующему этапу.
Нет
Устраните возможный обрыв в проводном жгуте и переходите к следующему этапу.
8
ПРОВЕРКА ЗАВЕРШЕНИЯ ДИАГНОСТИРОВАНИЯ ПО DTC P0122
•  Проверьте, чтобы все ранее отсоединённые разъёмы были вновь присоединены.
•  При помощи диагностической системы M-MDS удалите коды неисправностей из памяти блока РСМ.
•  Запустите двигатель.
•  Записывается ли снова данный код неисправности?
Да
Замените блок РСМ и перейдите к следующему этапу.
Нет
Переходите к следующему этапу.
9
ПРОВЕРКА ПОСЛЕ ЗАВЕРШЕНИЯ РЕМОНТА
•  Выполните мероприятия в соответствии с требованиями раздела “ПОСЛЕРЕМОНТНЫЕ МЕРОПРИЯТИЯ”.
•  Имеются ли коды неисправностей?
Да
Переходите к проверке по существующим кодам неисправностей.
Нет
Поиск и устранение неисправностей по кодам неисправностей завершён.


При наличии моторедуктора привода дроссельной заслонки

DTC P0122

Низкий уровень входного сигнала в цепи датчика 1 положения дроссельной заслонки (ТР 1)

УСЛОВИЕ ОПРЕДЕЛЕНИЯ
•  Если блок РСМ обнаруживает, что напряжение на датчике ТР 1 во время работы двигателя меньше 0,20 В, то блок РСМ решает, что в цепи датчика ТР 1 имеется неисправность.
Примечание к проведению диагностирования
•  Это постоянно контролируемый параметр (комплексный контроль компонентов)
•  Сигнализатор MIL включается, если блок РСМ обнаруживает описанное выше состояние неисправности во время первого ездового цикла.
•  Если блок РСМ обнаруживает описанное выше состояние, то записывается неподтвержденный код неисправности (PENDING CODE).
•  Имеются данные стоп-кадра (FREEZE FRAME DATA).
•  Код неисправности сохраняется в памяти блока РСМ.
ВОЗМОЖНЫЕ ПРИЧИНЫ НЕИСПРАВНОСТИ
•  Неисправность датчика 1 положения дроссельной заслонки (ТР 1)
•  Неисправность разъёма или плохой контакт
•  Обрыв в проводном жгуте между контактом Е корпуса дроссельной заслонки и контактом 2AS блока РСМ
•  Короткое замыкание на "массу" в проводном жгуте между контактом Е корпуса дроссельной заслонки и контактом 2AS блока PCM
•  Короткое замыкание на "массу" в проводном жгуте между контактом F корпуса дроссельной заслонки и контактом 2AX блока PCM
•  Неисправность блока РСМ

Процедура диагностики

ЭТАП

ПРОВЕРКА

ВЫПОЛНЯЕМЫЕ ДЕЙСТВИЯ

1
ПРОВЕРКА ЗАПИСИ ДАННЫХ СТОП-КАДРА (FREEZE FRAME DATA)
•  Был ли записан стоп-кадр?
Да
Переходите к следующему этапу.
Нет
Запишите данные стоп-кадра в заказ-наряд на выполнение ремонта и переходите к следующему этапу.
2
ПРОВЕРКА НАЛИЧИЯ ДОПОЛНИТЕЛЬНОЙ СЕРВИСНОЙ ИНФОРМАЦИИ
•  Проверьте наличие дополнительной сервисной информации по данной проблеме.
•  Имеется ли в наличии дополнительная сервисная информация по данной проблеме?
Да
Пользуясь дополнительной сервисной информацией, выполните ремонт или диагностирование.
•  Если автомобиль не ремонтируется, то переходите к следующему этапу.
Нет
Переходите к следующему этапу.
3
ПРОВЕРКА КАЧЕСТВА СОЕДИНЕНИЯ В РАЗЪЁМЕ КОРПУСА ДРОССЕЛЬНОЙ ЗАСЛОНКИ
•  Выключите зажигание.
•  Отсоедините разъём от корпуса дроссельной заслонки.
•  Проверьте наличие дефектов в разъёме (повреждённые или смещённые контактные штыри, наличие коррозии).
•  Найдена ли какая-либо неисправность?
Да
Отремонтируйте или замените контакт и перейдите к этапу 8.
Нет
Переходите к следующему этапу.
4
ПРОВЕРКА ЦЕПИ ДАТЧИКА ТР 1 НА ПРЕДМЕТ КОРОТКОГО ЗАМЫКАНИЯ НА "МАССУ"
•  Выключите зажигание.
•  Проверьте неразрывность цепи между перечисленными ниже контактами в разъёме проводного жгута:
―  Между контактом Е в разъёме проводного жгута корпуса дроссельной заслонки и "массой" кузова.
―  Между контактом F в разъёме проводного жгута корпуса дроссельной заслонки и "массой" кузова.
•  Существует ли неразрывность цепи?
Да
Устраните возможное короткое замыкание на "массу" в проводном жгуте или замените жгут и переходите к этапу 8.
Нет
Переходите к следующему этапу.
5
ПРОВЕРКА ДАТЧИКА ТР 1
•  Найдена ли неисправность?
Да
Замените датчик ТР и перейдите к этапу 8.
Нет
Переходите к следующему этапу.
6
ПРОВЕРКА КАЧЕСТВА СОЕДИНЕНИЯ В РАЗЪЁМЕ БЛОКА РСМ
•  Выключите зажигание.
•  Отсоедините разъем от блока РСМ.
•  Проверьте наличие дефектов в разъёме (повреждённые или смещённые контактные штыри, наличие коррозии).
•  Найдена ли какая-либо неисправность?
Да
Отремонтируйте или замените контакт и перейдите к этапу 8.
Нет
Переходите к следующему этапу.
7
ПРОВЕРКА ЦЕПИ ДАТЧИКА ТР 1 НА ПРЕДМЕТ ОБРЫВА
•  Выключите зажигание.
•  Проверьте неразрывность цепи между перечисленными ниже контактами в разъёме проводного жгута:
―  Контакт Е в разъёме корпуса дроссельной заслонки и контакт 2AS в разъёме проводного жгута блока РСМ
•  Существует ли неразрывность цепи?
Да
Переходите к следующему этапу.
Нет
Устраните возможный обрыв в проводном жгуте и переходите к следующему этапу.
8
ПРОВЕРКА ЗАВЕРШЕНИЯ ДИАГНОСТИРОВАНИЯ ПО DTC P0122
•  Проверьте, чтобы все ранее отсоединённые разъёмы были вновь присоединены.
•  При помощи диагностической системы M-MDS удалите коды неисправностей из памяти блока РСМ.
•  Запустите двигатель.
•  Записывается ли снова данный код неисправности?
Да
Замените блок РСМ и перейдите к следующему этапу.
Нет
Переходите к следующему этапу.
9
ПРОВЕРКА ПОСЛЕ ЗАВЕРШЕНИЯ РЕМОНТА
•  Выполните мероприятия в соответствии с требованиями раздела “ПОСЛЕРЕМОНТНЫЕ МЕРОПРИЯТИЯ”.
•  Имеются ли коды неисправностей?
Да
Переходите к проверке по существующим кодам неисправностей.
Нет
Поиск и устранение неисправностей по кодам неисправностей завершён.